公司产品
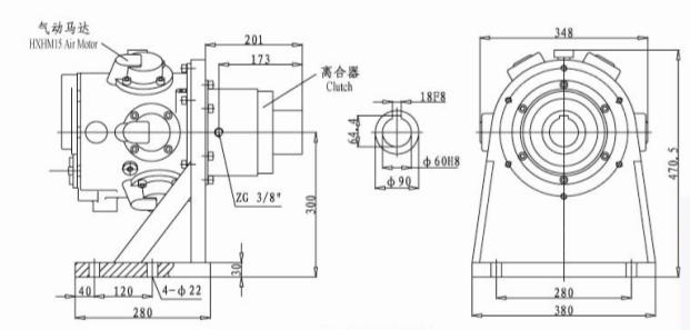
大活塞粉色导航APP下载马达HXHM15-T
大活塞粉色导航APP下载马达HXHM15-T

1、产品介绍
大活塞马达具有功率大,扭矩大、使用寿命长等特点。通过装备在各种重载设备上,例如绞车、提升机、采矿业等,通过配备减速机,可以达到几千牛的拉力,且能够长时间运转,不用过多维护。
2、技术参数
型号 | 工作数据 | ||||
转速 | 功率 | 扭矩 | 耗气量 | ||
rpm | hp | kw | Nm | L.min | |
HXHM15 | 750 | 10 | 7.5 | 90 | 5096 |

3、产品特点及应用
特点:
1)安装灵活,可瞬间转向
2)启动转矩高
3)可负载运载
4)支持装备的设备广泛
应用:广泛应用于油田、矿山、船舶、工程机械、内燃机等行业,长期为中船重工以及海洋石油工程等公司提供技术支持与产品服务。
4、服务
1)24小时在线解答
2)免费选型
3)支持多样化定制
4)支持粉色导航APP下载马达替换电机服务
5)一年质保
上一条: HAC02气路手控开关
下一条: 固定型升降粉色导航APP下载搅拌机








